Enpress LLC
ONE E3 - Natural Filter Delivery Tank
ONE E3 - Natural Filter Delivery Tank
Couldn't load pickup availability
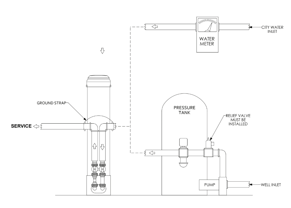
The ONE-E3® Filtration System includes an exclusive integrated bypass that utilizes industry standard threaded fitting kit connections to simplify installation and streamline field-installation inventory requirements.
Manufactured in the USA, this system comes standard with a 1″ MNPT elbow or straight connectors to the bypass and requires no gluing. An Umbrella Cap is included with every system, along with a 3/8″ fitting and shut-off integrated into the inlet side to allow rapid tubing connection for draining of the system of sediment and water during filter changeout. The ENPRESS Cartridge Tank is a superior alternative to small and inefficient traditional plastic 2.5″ or 4.5″ housings, or expensive stainless steel cartridge housings. The polyethylene, fiberglass composite housing and premium grade fittings are built to withstand harsh conditions and are NSF 61 and 44 certified. Changeable “filter cartridges” offers unique filtration capacities and flow rates from residential requirements up to 60 gpm. Each filter (sold separately) comes with a unique handle designed top cap for lightweight and easy removal, a bag for proper disposal, and a double O-ring seal.
The E3 Cartridge Tank is specifically designed for residential, light commercial, and commercial point-of-entry (POE) installations and applications. The patented E3 Cartridge Tank filtration systems and filters feature an easy to access top and bottom opening for use with multiple filtration connections and solutions, in a lightweight and cost-effective package. With multiple configuration options, this is the filtration solution of the future…100% non-metallic!
Share







